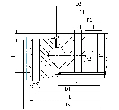
Single Row Four Point Contact Ball Slewing Bearing - External Tooth Type 01
NOTE:
1.n1 is the nos of lubricating holes. Oil cup M10×1JB/T7940.1~JB/T7940.2.
2.Mounting hole n-dn1、n-dn2 can change to tapped hole; tooth wide can change to H-h
|
|
|
|
|
|
External Gear DL mm |
Dimensions | Mounting dimensions | Structural dimensions | Gear data | Gear circumferential force |
weight kg |
||||||||||||||||
|
D mm |
d mm |
H mm |
D1 mm |
D2 mm |
n |
Ф mm |
dm mm |
L mm |
n1 mm |
D3 mm |
d1 mm |
H1 mm |
h mm |
b mm |
x |
M mm |
De mm |
z |
Normalizing Z 104N |
Quenching T 104N |
||
| 011.20.200 | 280 | 120 | 60 | 248 | 152 | 12 | 16 | M14 | 28 | 2 | 201 | 199 | 50 | 10 | 40 | 0 | 3 | 300 | 98 | 1.5 | 2.1 | 24 |
| 011.20.224 | 304 | 144 | 60 | 272 | 176 | 12 | 16 | M14 | 28 | 2 | 225 | 223 | 50 | 10 | 40 | 0 | 3 | 321 | 105 | 1.5 | 2.1 | 25 |
| 011.20.250 | 330 | 170 | 60 | 298 | 202 | 18 | 16 | M14 | 28 | 2 | 251 | 249 | 50 | 10 | 40 | 0 | 4 | 352 | 86 | 2.1 | 2.8 | 30 |
| 011.20.280 | 360 | 200 | 60 | 328 | 232 | 18 | 16 | M14 | 28 | 2 | 281 | 279 | 50 | 10 | 40 | 0 | 4 | 384 | 94 | 1.5 | 2.8 | 34 |
| 011.25.315 | 408 | 222 | 70 | 372 | 258 | 20 | 18 | M16 | 32 | 2 | 316 | 314 | 60 | 10 | 50 | 0 | 5 | 435 | 85 | 2.9 | 4.4 | 52 |
| 011.25.355 | 448 | 262 | 70 | 412 | 298 | 20 | 18 | M16 | 32 | 2 | 356 | 354 | 60 | 10 | 50 | 0 | 5 | 475 | 93 | 2.9 | 4.4 | 59 |
| 011.25.400 | 493 | 307 | 70 | 457 | 343 | 20 | 18 | M16 | 32 | 2 | 401 | 399 | 60 | 10 | 50 | 0 | 6 | 528 | 86 | 3.5 | 5.3 | 69 |
| 011.25.450 | 543 | 357 | 70 | 507 | 393 | 20 | 18 | M16 | 32 | 2 | 451 | 449 | 60 | 10 | 50 | 0 | 6 | 576 | 94 | 3.5 | 5.3 | 76 |
| 011.30.500 | 602 | 398 | 80 | 566 | 434 | 20 | 18 | M16 | 32 | 4 | 501 | 498 | 70 | 10 | 60 | 0.5 | 5 | 629 | 123 | 3.7 | 5.2 | 85 |
| 012.30.500 | 6 | 628.8 | 102 | 4.5 | 6.2 | |||||||||||||||||
| 011.25.500 | 602 | 398 | 80 | 566 | 434 | 20 | 18 | M16 | 32 | 4 | 501 | 499 | 70 | 10 | 60 | 0.5 | 5 | 629 | 123 | 3.7 | 5.2 | 85 |
| 012.25.500 | 6 | 628.8 | 102 | 4.5 | 6.2 | |||||||||||||||||
| 011.30.560 | 662 | 458 | 80 | 626 | 494 | 20 | 18 | M16 | 32 | 4 | 561 | 558 | 70 | 10 | 60 | 0.5 | 5 | 689 | 135 | 3.7 | 5.2 | 95 |
| 012.30.560 | 6 | 688.8 | 112 | 4.5 | 6.2 | |||||||||||||||||
| 011.25.560 | 662 | 458 | 80 | 626 | 494 | 20 | 18 | M16 | 32 | 4 | 561 | 559 | 70 | 10 | 60 | 0.5 | 5 | 689 | 135 | 3.7 | 5.2 | 95 |
| 012.25. 560 | 6 | 688.8 | 112 | 4.5 | 6.2 | |||||||||||||||||
| 011.30.630 | 732 | 528 | 80 | 696 | 564 | 24 | 18 | M16 | 32 | 4 | 631 | 628 | 70 | 10 | 60 | 0.5 | 6 | 772.8 | 126 | 4.5 | 6.2 | 110 |
| 012.30.630 | 8 | 774.4 | 94 | 6 | 8.3 | |||||||||||||||||
| 011.25.630 | 732 | 528 | 80 | 696 | 564 | 24 | 18 | M16 | 32 | 4 | 631 | 629 | 70 | 10 | 60 | 0.5 | 6 | 772.8 | 126 | 4.5 | 6.2 | 110 |
| 012.25.630 | 8 | 774.4 | 94 | 6 | 8.2 | |||||||||||||||||
| 011.30.710 | 812 | 608 | 80 | 776 | 644 | 24 | 18 | M16 | 32 | 4 | 711 | 708 | 70 | 10 | 60 | 0.5 | 6 | 850.8 | 139 | 4.5 | 6.2 | 120 |
| 012.30.710 | 8 | 854.4 | 104 | 6 | 8.3 | |||||||||||||||||
| 011.25.710 | 812 | 608 | 80 | 776 | 644 | 24 | 18 | M16 | 32 | 4 | 711 | 709 | 70 | 10 | 60 | 0.5 | 6 | 850.8 | 139 | 4.5 | 6.2 | 120 |
| 012.25.710 | 8 | 854.4 | 104 | 6 | 8.9 | |||||||||||||||||
| 011.40.800 | 922 | 678 | 100 | 878 | 722 | 30 | 22 | M20 | 40 | 6 | 801 | 798 | 90 | 10 | 80 | 0.5 | 8 | 966.4 | 118 | 8 | 11.1 | 220 |
| 012.40.800 | 10 | 968 | 94 | 10 | 14 | |||||||||||||||||
| 011.30.800 | 922 | 678 | 100 | 878 | 722 | 30 | 22 | M20 | 40 | 6 | 801 | 798 | 90 | 10 | 80 | 0.5 | 8 | 966.4 | 118 | 8 | 11.1 | 220 |
| 012.30.800 | 10 | 968 | 94 | 10 | 14.1 | |||||||||||||||||
| 011.40.900 | 1022 | 778 | 100 | 978 | 822 | 30 | 22 | M20 | 40 | 6 | 901 | 898 | 90 | 10 | 80 | 0.5 | 8 | 1062.4 | 130 | 8 | 11.1 | 240 |
| 012.40.900 | 10 | 1068 | 104 | 10 | 14 | |||||||||||||||||
| 011.30.900 | 1022 | 778 | 100 | 978 | 822 | 30 | 22 | M20 | 40 | 6 | 901 | 898 | 90 | 10 | 80 | 0.5 | 8 | 1062.4 | 130 | 8 | 11.1 | 240 |
| 012.30.900 | 10 | 1068 | 104 | 10 | 14 | |||||||||||||||||
| 011.40.1000 | 1122 | 878 | 100 | 1078 | 922 | 36 | 22 | M20 | 40 | 6 | 1001 | 998 | 90 | 10 | 80 | 0.5 | 10 | 1188 | 10 | 14 | 270 | |
| 012.40.1000 | 12 | 1185.6 | 96 | 12 | 16.7 | |||||||||||||||||
| 011.30.1000 | 1122 | 878 | 100 | 1078 | 922 | 36 | 22 | M20 | 40 | 6 | 1001 | 998 | 90 | 10 | 80 | 0.5 | 10 | 1188 | 116 | 10 | 14 | 270 |
| 012.30.1000 | 12 | 1185.6 | 96 | 12 | 16.7 | |||||||||||||||||
| 011.40.1120 | 1242 | 998 | 100 | 1198 | 1042 | 36 | 22 | M20 | 40 | 6 | 1121 | 1118 | 90 | 10 | 80 | 0.5 | 10 | 1298 | 127 | 10 | 14 | 300 |
| 012.40.1120 | 12 | 1305.6 | 106 | 12 | 16.7 | |||||||||||||||||
| 011.30.1120 | 1242 | 998 | 100 | 1198 | 1042 | 36 | 22 | M20 | 40 | 6 | 1121 | 1118 | 90 | 10 | 80 | 0.5 | 10 | 1298 | 127 | 10 | 14 | 300 |
| 012.30.1120 | 12 | 1305.6 | 106 | 12 | 16.7 | |||||||||||||||||
| 011.45.1250 | 1390 | 1110 | 110 | 1337 | 1163 | 40 | 26 | M24 | 48 | 5 | 1252 | 1248 | 100 | 10 | 90 | 0.5 | 12 | 1449.6 | 118 | 13.5 | 18.8 | 420 |
| 012.45.1250 | 14 | 1453.2 | 101 | 15.8 | 21.9 | |||||||||||||||||
| 011.35.1250 | 1390 | 1110 | 110 | 1337 | 1163 | 40 | 26 | M24 | 48 | 5 | 1251 | 1248 | 100 | 10 | 90 | 0.5 | 12 | 1449.6 | 118 | 13.5 | 18.8 | 420 |
| 012.35.1250 | 14 | 101 | 15.8 | 21.9 | 18.8 | |||||||||||||||||
| 011.45.1400 | 1540 | 1260 | 110 | 1487 | 1313 | 40 | 26 | M24 | 48 | 5 | 1402 | 1398 | 100 | 10 | 90 | 0.5 | 12 | 1605.6 | 131 | 13.5 | 18.8 | 480 |
| 012.45.1400 | 14 | 1607.2 | 112 | 15.5 | 21.9 | |||||||||||||||||
| 011.35.1400 | 1540 | 1260 | 110 | 1487 | 1313 | 40 | 26 | M24 | 48 | 5 | 1401 | 1398 | 100 | 10 | 90 | 0.5 | 12 | 1605.6 | 131 | 13.5 | 18.8 | 480 |
| 012.35.1400 | 14 | 1607.2 | 112 | 15.8 | 21.9 | |||||||||||||||||
| 011.45.1600 | 1740 | 1460 | 110 | 1687 | 1513 | 45 | 26 | M24 | 48 | 5 | 1602 | 1598 | 100 | 10 | 90 | 0.5 | 14 | 1817.2 | 127 | 15.8 | 21.9 | 550 |
| 012.45.1600 | 16 | 1820.8 | 111 | 18.1 | 25 | |||||||||||||||||
| 011.35.1600 | 1740 | 1460 | 110 | 1687 | 1513 | 45 | 26 | M24 | 48 | 5 | 1601 | 1598 | 100 | 10 | 90 | 0.5 | 14 | 1817.2 | 127 | 15.8 | 21.9 | 550 |
| 012.35.1600 | 16 | 1820.8 | 111 | 18.1 | 25 | |||||||||||||||||
| 011.45.1800 | 1940 | 1660 | 110 | 1887 | 1713 | 45 | 26 | M24 | 48 | 5 | 1802 | 1798 | 100 | 10 | 90 | 0.5 | 14 | 2013.2 | 141 | 15.8 | 21.9 | 610 |
| 012.45.1800 | 16 | 2012.8 | 123 | 18.1 | 25 | |||||||||||||||||
| 011.35.1800 | 1940 | 1660 | 110 | 1887 | 1713 | 45 | 26 | M24 | 48 | 5 | 1801 | 1798 | 100 | 10 | 90 | 0.5 | 14 | 2013.2 | 141 | 15.8 | 21.9 | 610 |
| 012.35.1800 | 16 | 2012.8 | 123 | 18.1 | 25 | |||||||||||||||||
| 011.60.2000 | 2178 | 1825 | 144 | 2110 | 1891 | 48 | 33 | M30 | 60 | 8 | 2002 | 1998 | 132 | 12 | 120 | 0.5 | 16 | 2268.8 | 139 | 24.1 | 33.3 | 1100 |
| 012.60.2000 | 18 | 2264.4 | 123 | 27.1 | 37.5 | |||||||||||||||||
| 011.40.2000 | 2178 | 1825 | 144 | 2110 | 1891 | 48 | 33 | M30 | 60 | 8 | 2001 | 1998 | 132 | 12 | 120 | 0.5 | 16 | 2268.8 | 139 | 24.1 | 33.3 | 1100 |
| 012.40.2000 | 18 | 2264.4 | 123 | 27.1 | 37.5 | |||||||||||||||||
| 011.60.2240 | 2418 | 2065 | 144 | 2350 | 2131 | 48 | 33 | M30 | 60 | 8 | 2242 | 2238 | 132 | 12 | 120 | 0.5 | 16 | 2492.8 | 153 | 24.1 | 33.3 | 1250 |
| 012.60.2240 | 18 | 2498.4 | 136 | 27.1 | 37.5 | |||||||||||||||||
| 011.40.2240 | 2418 | 2065 | 144 | 2350 | 2131 | 48 | 33 | M30 | 60 | 8 | 2241 | 2238 | 132 | 12 | 120 | 0.5 | 16 | 2492.8 | 153 | 24.1 | 33.3 | 1250 |
| 012.40.2240 | 18 | 2498.4 | 136 | 27.1 | 37.5 | |||||||||||||||||
| 011.60.2500 | 2678 | 2325 | 144 | 2610 | 2391 | 56 | 33 | M30 | 60 | 8 | 2502 | 2498 | 132 | 12 | 120 | 0.5 | 18 | 2768.4 | 151 | 27.1 | 37.5 | 1400 |
| 012.60.2500 | 20 | 2776 | 136 | 30.1 | 41.8 | |||||||||||||||||
| 011.40.2500 | 2678 | 2325 | 144 | 2610 | 2391 | 56 | 33 | M30 | 60 | 8 | 2501 | 2498 | 132 | 12 | 120 | 0.5 | 18 | 2768.4 | 151 | 27.1 | 37.5 | 1400 |
| 012.40.2500 | 20 | 2776 | 136 | 30.1 | 41.8 | |||||||||||||||||
| 011.60.2800 | 2978 | 2625 | 144 | 2910 | 2691 | 56 | 33 | M30 | 60 | 8 | 2802 | 2798 | 132 | 12 | 120 | 0.5 | 18 | 3074.4 | 168 | 27.1 | 37.5 | 1600 |
| 012.60.2800 | 20 | 3076 | 151 | 30.1 | 41.8 | |||||||||||||||||
| 011.40.2800 | 2978 | 2625 | 144 | 2910 | 2691 | 56 | 33 | M30 | 60 | 8 | 2802 | 2798 | 132 | 12 | 120 | 0.5 | 18 | 3074.4 | 168 | 27.1 | 37.5 | 1600 |
| 012.40.2800 | 20 | 3076 | 151 | 30.1 | 41.8 | |||||||||||||||||
| 011.75.3150 | 3376 | 2922 | 174 | 3286 | 3014 | 56 | 45 | M42 | 84 | 8 | 3152 | 3147 | 162 | 12 | 150 | 0.5 | 20 | 3476 | 171 | 37.7 | 52.2 | 2800 |
| 012.75.3150 | 22 | 3471.6 | 155 | 41.5 | 57.4 | |||||||||||||||||
| 011.50.3150 | 3376 | 2922 | 174 | 3286 | 3014 | 56 | 45 | M42 | 84 | 8 | 3152 | 3147 | 162 | 12 | 150 | 0.5 | 20 | 3476 | 171 | 37.7 | 52.2 | 2800 |
| 012.50.3150 | 22 | 3471.6 | 155 | 41.5 | 57.4 | |||||||||||||||||
| 011.75.3550 | 3376 | 3322 | 174 | 3686 | 3014 | 56 | 45 | M42 | 84 | 8 | 3552 | 3547 | 162 | 12 | 150 | 0.5 | 20 | 3876 | 191 | 37.7 | 51.7 | 3500 |
| 012.75.3550 | 22 | 3889.6 | 174 | 41.5 | 57 | |||||||||||||||||
| 011.50.3550 | 3776 | 3322 | 174 | 3686 | 3014 | 56 | 45 | M42 | 84 | 10 | 3552 | 3548 | 162 | 12 | 150 | 0.5 | 20 | 3876 | 191 | 37.7 | 51.7 | 3500 |
| 012.50.3550 | 22 | 3889.6 | 174 | 41.5 | 57 | |||||||||||||||||
| 011.75.4000 | 4226 | 3772 | 174 | 4136 | 3864 | 60 | 45 | M42 | 84 | 10 | 4002 | 3997 | 162 | 12 | 150 | 0.5 | 20 | 4329.6 | 194 | 41.5 | 57 | 4200 |
| 012.75.4000 | 22 | 4345 | 171 | 47.1 | 64.6 | |||||||||||||||||
| 011.50.4000 | 4226 | 3772 | 174 | 4136 | 3864 | 60 | 45 | M42 | 84 | 10 | 4002 | 3998 | 162 | 12 | 150 | 0.5 | 20 | 4329.6 | 194 | 41.5 | 57 | 4200 |
| 012.50.4000 | 22 | 4345 | 171 | 47.1 | 64.6 | |||||||||||||||||
| 011.75.4500 | 4726 | 4272 | 174 | 4636 | 4364 | 60 | 45 | M42 | 84 | 10 | 4502 | 4497 | 162 | 12 | 150 | 0.5 | 20 | 4835.6 | 217 | 41.5 | 57 | 5100 |
| 012.75.4500 | 22 | 4845 | 191 | 47.1 | 64.6 | |||||||||||||||||
| 011.50.4500 | 4726 | 4272 | 174 | 4636 | 4364 | 60 | 45 | M42 | 84 | 10 | 4502 | 4498 | 162 | 12 | 150 | 0.5 | 20 | 4835.6 | 217 | 41.5 | 57 | 5100 |
| 012.50.4500 | 22 | 4845 | 191 | 47.1 | 64.6 | |||||||||||||||||






